Anlagenkonzept: Grenzwertschalter in Kombination mit AUF/ZU-Steuerung UMS 5 oder UMS U5

Die Vorortsteuerungen

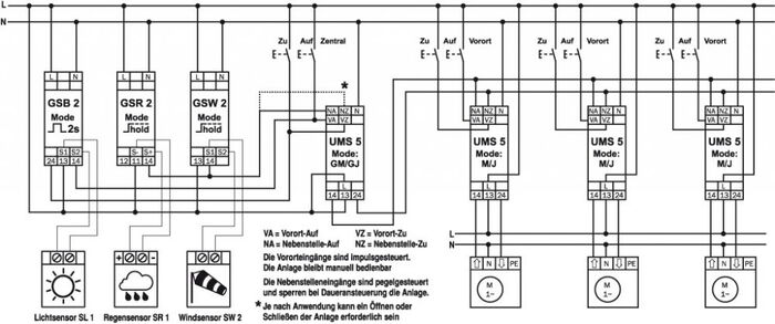
Je ein UMS 5 steuert einen Antrieb über die Ausgänge 14 und 24. Die Ansteuerung erfolgt an den Vororteingängen (VA und VZ) mit herkömmlichen Doppeltastern. Die gegenseitige Verriegelung der Laufrichtungen, sowie eine Laufzeitbegrenzung, wird durch das UMS 5 sichergestellt.

Die Gruppen- und Zentralsteuerung

Es können mehrere UMS 5 an ihren Nebenstelleneingängen (NA und NZ) durch einfaches Parallelschalten zusammengefasst werden. Durch Vorschalten einer weiteren (übergeordneten) Steuerung können diese Geräte gemeinsam betätigt werden. Eine sogenannte Gruppe ist entstanden. Auch die Gruppensteuerungen können wieder nach diesem Schema zusammengefasst werden, um wiederum gemeinsam von einer übergeordneten Steuerung betätigt zu werden. Diese weitere Zusammenfassung wird als Zentalsteuerung bezeichnet.

Regen, Wind und Sonne

Der Anschluss der verschiedenen Grenzwertschalter erfolgt über die Eingänge VA/VZ bzw. NA/NZ an der Zentralsteuerung. Sicherheitsrelevante Ansteuerungen durch Regen oder Wind müssen als Dauersignal an den Nebenstelleneingängen anliegen. Die Anlage wird dadurch gesperrt, und ist somit gegen versehentliche Fehlbedienungen optimal geschützt. Ansteuerungen ohne Sicherheitsanforderung wie z.B. für eine Beschattungs- oder Dämmerungsautomatik werden als kurze Ansteuerimpulse auf die Vororteingänge gelegt. Die Anlage bleibt dabei für den Anwender vollständig bedienbar.

Beispielschaltung: Grenzwertschalter für Beschattung, Regen und Wind an einer Zentralsteuerung

Beispielschaltung: Grenzwertschalter für Beschattung, Regen und Wind an einer Zentralsteuerung

Übersicht: Grenzwertschalter und Sensoren

Übersicht Grenzwertschalter und Sensoren

Artikel zum Download

Zurück