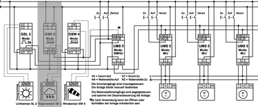
Anwendungsbeispiel UMS 5

Jalousiesteuerung mit Beschattungsautomatik und Windwächter

Funktionsweise:
Der Anschluss der Grenzwertschalter erfolgt über die Vororteingänge (VA/VZ) und über die Nebenstelleneingänge (NA/NZ) an der Zentralsteuerung (Mode: GJ).

Sicherheitsrelevante Ansteuerungen (z.B. Wind oder Regen) müssen als Dauersignal (Relaismode: Hold) an den Nebenstelleneingängen der Zentralsteuerung anliegen. Die Anlage wird dadurch gesperrt, und ist somit gegen versehentliche Fehlbedienungen geschützt.

Ansteuerungen ohne Sicherheitsanforderung, wie z.B. für eine Beschattungs- oder Dämmerungsautomatik, werden als kurze Steuerimpulse (Relaismode: 2s) auf die Vororteingänge gelegt. Die Anlage ist somit unmittelbar nach einer automatischen Ansteuerung für den Anwender wieder manuell bedienbar.

An der Zentralsteuerung kann bei Bedarf auch ein Jalousie-Gegenlaufimpuls eingestellt werden. Die Jalousielamellen werden nach dem Herunterfahren durch den Gegenlaufimpuls automatisch in eine genau einstellbare Wunschposition zurückgedreht.

Zurück